
廂式、板框式草莓TV官方入口是懸浮液固、液兩相分離的理想設備。該係列草莓TV官方入口為板框式手動或千斤頂壓緊機型。濾板尺寸315mm×280mm 至650mm×650mm,壓緊方式:S 為手動螺杆型。J 為手動千斤頂型。機器結構簡便,操作易行。該係列草莓TV官方入口機型較小,壓緊、卸料均為手動操作.草莓TV官方入口有明流,暗流之分,它們各自又有濾餅的可洗式和不可洗式。
該係列草莓TV官方入口主要規格有: BAMSJ2~6/420-UBK-Ⅰ;
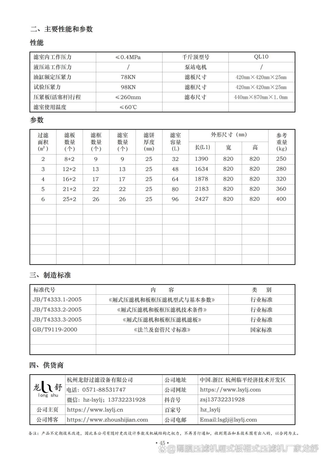
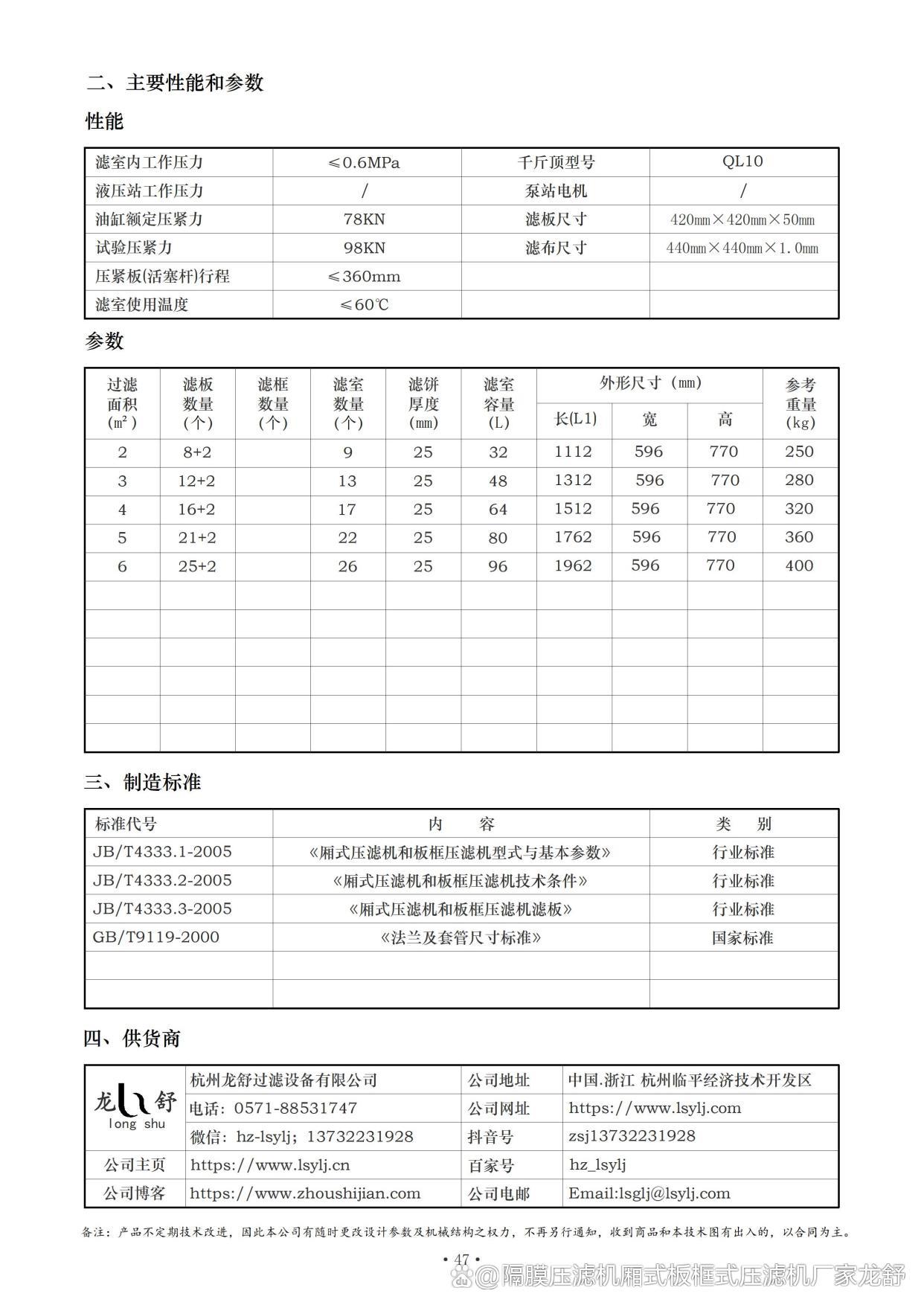
技術性能
過濾壓力 | ≤0.6 MPa |
壓緊力 | ≤76 KN |
壓緊板行程 | ≤260 mm |
使用溫度 | ≤100℃ |
主要技術參數
過濾麵積 m2 | 濾板數量 (塊) | 濾室 數量 (個) | 濾餅 厚度 mm | 濾室 容積 L | 外形尺寸 mm | 機器 質量 t | 進料管孔 直徑 mm | 出液孔直徑 | |||
濾框 | 濾板 | 長 | 寬 | 高 | |||||||
2 | 9 | 8 | 9 | 30 | 31 | 1497 | 704 | 795 | 0.47 | 25 | 25 |
3 | 13 | 12 | 13 | 45 | 1741 | 0.50 | |||||
4 | 17 | 16 | 17 | 59 | 1985 | 0.54 | |||||
5 | 22 | 21 | 22 | 76 | 2290 | 0.58 | |||||
6 | 26 | 25 | 26 | 90 | 2534 | 0.62 | |||||
基礎尺寸
過濾麵積(m2) | 尺寸L1(mm) | 過濾麵積(m2)m2 | 尺寸L1(mm) |
2 | 1127 | 5 | 1920 |
3 | 1371 | 6 | 2164 |
4 | 1615 |
下麵介紹一些BSJ2~6/420 - U係列小型板框草莓TV官方入口”的資料及相關信息,供你參考。
一、工作原理
壓緊過程:濾板以疊合方式放置,通過液壓係統壓緊板框,形成密封的過濾室。
過濾過程:懸浮液加入過濾室,在壓力作用下,液體通過濾布排出,固體顆粒被截留,在濾布上逐漸堆積形成濾餅。
洗滌過程:洗滌液進入過濾室,接觸濾餅後排出,可清洗濾餅表麵的殘留物。
卸料過程:壓緊機構鬆開,通過振動、敲擊等方式使濾餅卸下。
二、結構特點
濾板和濾框:通常采用增強聚丙烯等材料模壓而成,具有強度高、重量輕、耐腐蝕、耐酸堿、無毒無味等特點。濾板表麵有溝槽,用於支撐濾布和排出濾液,濾框和濾板邊角上的通孔組裝後構成懸浮液、洗滌水的通道和濾液的引出通道。
壓緊機構:一般采用液壓驅動,通過油缸推動壓緊板,使濾板和濾框緊密貼合,提供過濾所需的壓力。
過濾介質:通常為濾布,需要具備高強度和良好的透氣性,能有效截留固體顆粒,同時允許液體通過。
其他部件:還包括機架部分,用於支撐和固定濾板、濾框等部件;進料係統,用於將待過濾的物料輸送到過濾室;控製係統,可實現對整個壓濾過程的自動化控製,如壓緊、進料、洗滌、卸料等操作的順序控製和參數調節。




三、 性能參數
過濾麵積:小型板框草莓TV官方入口的過濾麵積一般較小,常見的有幾平方米到幾十平方米不等,可根據實際生產需求選擇合適的型號。
過濾壓力:一般操作壓力在0.3 - 1.6兆帕之間,特殊情況下可達3兆帕或更高,具體壓力範圍根據設備型號和應用場景有所不同。
濾室容積:決定了每次過濾所能處理的物料量,小型設備的濾室容積通常在幾十升到幾百升之間。
處理能力:因設備的過濾麵積、濾室容積、過濾壓力以及物料性質等因素而異,一般適用於小規模生產或實驗室使用,處理量相對較小。四、應用領域
化工行業:用於有機酸、堿生產,化纖、玻璃纖維製造,炭黑、鉀肥等化工產品加工過程中的固液分離。
冶金行業:在精煉、冶煉過程中,用於鐵水、鋁水、銅水等懸浮液的過濾,去除雜質。
製藥行業:用於藥品生產過程中的過濾,確保藥品的質量和安全性。
食品行業:可用於乳品、飲料、糖果生產,以及醬油、醋、調味品等食品的過濾,提升食品的口感和品質。
環保領域:在小型汙水廠中,用於汙泥脫水處理,將汙泥含水率降低,便於後續的運輸和處理。





本網站上展示的產品僅用於工業上的汙水固、液分離,由於產品的專業性和專用性,每件商品的具體性能和使用方法均不盡相同,頁麵上的描述僅供參考,並不適用於每個具體商品,您在決定購買之前,務必事前(老板電話13732231928)溝通。謝謝您的理解和支持!(本站僅用於產品展示,不接受線上交易)

